风能系统
风能系统简介
风力发电(Wind Power Generation) 是将风能转化为机械能,再进一步转化为电能的过程。 它无需燃料、不产生辐射,也不会排放污染物,是一种清洁、可再生的能源形式。
随着全球碳中和进程加速,风能已成为可再生能源的重要支柱之一,广泛应用于陆上与海上风电场。

系统结构与原理
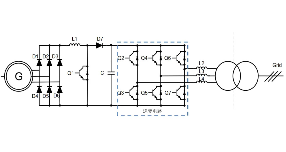
风力发电系统主要由风轮机、齿轮箱、发电机、变流系统与控制系统组成。 风轮机捕获风能,通过齿轮箱传递机械能至发电机,再由变流器实现交流与直流之间的能量转换。
风力涡轮机: 将风的动能转换为机械能。
发电机: 将机械能转化为电能(交流输出)。
变流系统: 包括整流单元、DC-Link 和逆变单元,实现高效功率转换与并网控制。
控制系统: 对转速、输出电压与功率进行实时调节,保障风电系统稳定运行。

应用优势
高效率能量转换: 通过先进的 IGBT 与 SiC 功率模块,实现低损耗、高频率、高可靠性转换。
可扩展性强: 适用于从中小型分布式风电系统到大型海上风电场的不同功率段。
高环境适应性: 具备良好的耐温性与防潮防尘性能,可长期稳定运行于恶劣气候条件。
低维护成本: 模块化设计提升系统可维护性与可靠性,降低全生命周期成本。
SiC 与 IGBT 模块的关键作用
宝泉智捷为风能系统提供功率范围覆盖 50A 至 900A、额定电压达 1700V 的 IGBT 模块系列, 同时结合 SiC MOSFET 与 二极管模块,全面提升变流器效率与热管理性能。
SiC MOSFET: 支持更高开关频率与更低导通损耗,优化变流效率。
IGBT 模块: 提供高电压、高电流能力,保障系统稳定输出。
功率模块: 集成驱动与保护电路,提升模块化设计与系统集成度。
为什么选择宝泉智捷
宝泉智捷专注于新能源功率半导体技术,为风力发电系统提供高效率、高可靠性的功率器件方案。
我们的产品广泛应用于陆上与海上风电变流器系统,帮助客户实现能源高效转换、长期稳定运行与绿色可持续发展。


