电脑电源
电脑电源简介
电源是电脑系统的“心脏”,为各个硬件组件提供稳定的能量来源。 随着科技的不断发展,CPU的总体功耗逐年下降,但GPU的功耗却在持续攀升, 这给PC电源系统带来了新的挑战。 同时,在DIY市场与OEM电脑电源设计中,对“小型化、高性价比”的需求也日益增长。

宝泉智捷的第三代超级结(Super-Junction)系列产品 具备更快的开关速度、更低的导通损耗与极低的栅极电荷(Qg), 有效降低器件功率损耗并显著提升系统效率。 通过自主创新技术优化的开关特性,使器件在系统中具备更优异的EMI性能。 此外,丰富的封装形式(TO、DFN、模块封装等)可满足不同功率等级与设计布局的需求。

为什么选择宝泉智捷
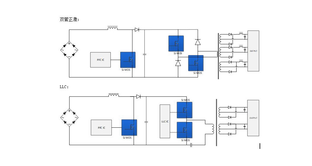
主要供应产品: MOSFET、SiC MOSFET、IGBT模块与功率模块(不提供完整PSU整机系统)。
器件优势: 低RDS(on)、高速开关、低Qg、优化EMI性能与宽温区可靠运行。
封装类型: TO-220、TO-247、DFN、DPAK及高功率模块封装,适用于紧凑型电源布局。
推荐应用: 主级采用600–700V超级结MOSFET进行初级变换,次级采用低压MOSFET用于同步整流。


